北京市凌鷹起重機械廠
地址:北京市昌平區東小口
二十四小時手機:18611422091(同微信)
傳真: 010-58043523
網址:qhdbijin.com
抖音:lyqz18611422091
掃一掃加微信好友





故障現象: 主廠房橋機電動葫蘆在操作過程中出現上升( 下降) 無法動作。
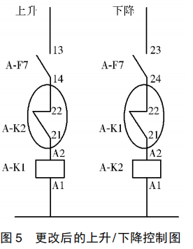
原因分析及處理: 由于葫蘆上升( 下降) 的動作主要依靠接觸器使電機的正反轉來實現,故應考慮電源故障或控制元件故障。所以在故障處理時考慮: 1) 測量控制回路電源是否正常為 AC 48V; 2) 上升( 下降) 限位器是否誤動作導致控制回路斷開; 3) 是否有超載現象導致載荷限制動作; 4) 控制元件是否故障,如繼電器輔助觸點是否有松動、接觸不良、生銹等現象。在對以上各條原因分析排查中,發現接觸器損壞( 或燒損) 為主要原因,而其損壞的要因應為上升和下降控制回路無互鎖,若在操作上升回路的同時誤操作下降回路,則導致上升和下降的接觸器同時勵磁,長時間將造成接觸器的損壞( 或燒損) 。因此,我們在上升和下降回路中分別串入下降接觸器( AK2) 和上升接觸器( A-K1) 的常閉輔助觸點,當操作上升( 或下降) 回路時,使另一條回路處于無法接通狀態,從而實現了電動葫蘆上升和下降控制回路的相互閉鎖功能,保護了設備,防止了人員誤操作。
建議: 由于橋機電動葫蘆一般在檢修期使用較多,平時多為停機狀態,其廠房內震動較大,所以要注意日常維護,檢查元器件是否動作良好,有無銹蝕、接線松動等現象,并及時處理。更改其上升/下降控制圖,如圖 5。
?

?
?
上一條:電站廠房中電動葫蘆故障調查
下一條:電動葫蘆的主要特點及設計壽命
北京市凌鷹起重機械廠
地址:北京市昌平區東小口
二十四小時手機:18611422091(同微信)
傳真: 010-58043523
網址:qhdbijin.com
抖音:lyqz18611422091
掃一掃加微信好友
